Этот асинхронный мотор-редуктор переменного тока мощностью 6 Вт — это эффективный, комп...
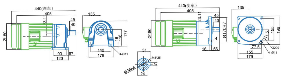
CH28/CV28-1500W-(уменьшенное соотношение 1:30~120) Диаграмма размеров

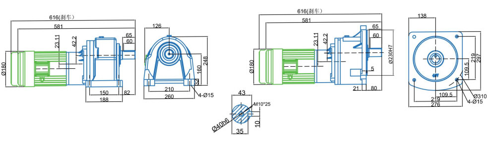
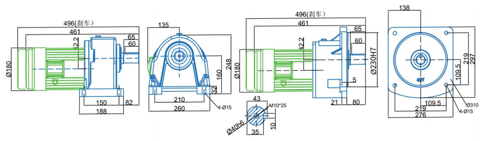
CH50/CV50-1500W - (стандартная коробка с соотношением 1:125~200) Габаритный чертеж

Мощность двигателя: 1500 Вт (2 л.с.), горизонтальная или вертикальная установка.
Фаза: одиночная фаза/трехфазная
Передаточное число: 3-1800К
Выбор двигателя: 3-фазный двигатель 220–240 В/380–415 В, 50 Гц/60 Гц; 1-фазный двигатель, 220 В, 50 Гц/60 Гц; 1-фазный двигатель, 110 В, 50 Гц/60 Гц
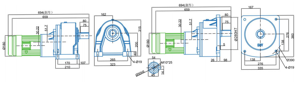
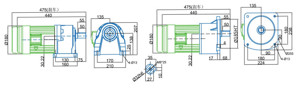
Диаметр выходного вала: φ28 мм φ32 мм φ40 мм φ50 мм
Логистика Сортировка
Автоматизированные роботы
лазерная резка
Ворота контроля доступа
Фотоэлектрическая электростанция
Медицинское оборудование
АГВ
Параметр электрооборудования | ||||||||
Мощность (кВт) | Тип | Напряжение (В) | Частота (Гц) | Номинальный ток (А) | Номинальная скорость вращения (об/мин) | Конденсаторы (мкФ) | Классификация изоляции | Защитная система |
1,5 кВт 2 л.с. | Однофазный | 220В | 50 Гц | 4.1А | 1420 об/мин | 30 мкФ, 150 мкФ | Ф | IP54 |
Трехфазный | 220 В/380 В | 50 Гц | 6,6 А/3,8 А | 1420об/мин | / |
Соотношение Гера | 3 | 5 | 10 | 15 | 20 | 25 | 30 | 40 | 50 | 60 | 70 | 80 | 90 | 100 | 120 | 140 | 160 | 180 | 200 | 300 | 1200 | 1800 | |
Выходная частота вращения | 50 Гц | 500 | 300 | 150 | 100 | 75 | 60 | 50 | 37 | 30 | 25 | 21.4 | 18.8 | 16.7 | 15 | 12.5 | 10.7 | 9.4 | 8.4 | 7.5 | 5 | 1.25 | 0.83 |
60 Гц | 600 | 360 | 180 | 120 | 90 | 72 | 60 | 45 | 36 | 30 | 25.7 | 22.5 | 20 | 18 | 15 | 12.9 | 11.3 | 10 | 9 | 6 | 1.5 | 1 | |
Выходной крутящий момент кг/м | 50 Гц | 2.6 | 4.5 | 9.1 | 13.5 | 18.1 | 22.6 | 27.1 | 34.9 | 43.6 | 52.1 | 62.4 | 70.8 | 77.1 | 83.7 | 100.4 | 116.1 | 131.8 | 147.6 |
|
|
|
|
60 Гц | 2.2 | 3.8 | 7.6 | 11.3 | 15.1 | 18.9 | 22.6 | 29.1 | 36.4 | 43.7 | 52 | 59 | 64.3 | 69.8 | 83.7 | 96.8 | 109.9 | 123 |
|
|
|
|
Скорость в таблице рассчитана на основе номинальной скорости двигателя при 50 Гц/60 Гц, 1420 об/мин/1732 об/мин.
Фактическая скорость будет незначительно меняться в зависимости от размера груза, в пределах ± 5%.
В современной автоматизации и интеллектуальном производстве бесщеточные мотор-редукторы постоянного тока становятся важным компонентом приводных систем. Благодаря своим значительным п...
ПРОЧИТАТЬ БОЛЬШЕСтруктура и принцип работы Планетарные мотор-редукторы Планетарный мотор-редуктор — это высокопроизводительное силовое устройство, которое объединяет двигатель с планетарным редукто...
ПРОЧИТАТЬ БОЛЬШЕМикро мотор-редукторы переменного тока все чаще становятся основными компонентами приводов современной промышленной автоматизации, интеллектуальных устройств и бытовой техники. Благода...
ПРОЧИТАТЬ БОЛЬШЕБлагодаря быстрому развитию силового привода и автоматизированного управления, щеточные мотор-редукторы постоянного тока становятся основными компонентами многочисленных механических ...
ПРОЧИТАТЬ БОЛЬШЕБлагодаря постоянному развитию технологий все больше и больше отраслей промышленности включают в свое оборудование небольшие двигатели переменного тока и мотор-редукторы. Являясь ключевым компонент...
ПРОЧИТАТЬ БОЛЬШЕС постоянным развитием автоматизации и интеллекта важность двигателей как основных приводных устройств становится все более заметной. Бесщеточные мотор-редукторы постоянного тока , бл...
ПРОЧИТАТЬ БОЛЬШЕВ промышленных системах передачи планетарные редукторы , благодаря своей уникальной конструкции и исключительным характеристикам, стали ключевым компонентом высокоточных трансмиссий. ...
ПРОЧИТАТЬ БОЛЬШЕВ автострачности, Brush DC Gear Motors , с их уникальным конструктивным дизайном и стабильной производительностью, стали незаменимым источником питания для оборудования для автоматиза...
ПРОЧИТАТЬ БОЛЬШЕВ точном мире современной промышленности каждое крошечное движение имеет решающее значение, и каждый угол несет мудрость бесчисленных инженеров. При обсуждении высокой трансмиссии в робототехнике, ...
ПРОЧИТАТЬ БОЛЬШЕВ сложных механических системах современной промышленности, Точные планетарные коробки передач Сияй, как звезды. Их исключительная производительность и уникальный дизайн сделали их основным ...
ПРОЧИТАТЬ БОЛЬШЕКак современные механические системы и автоматизированное оборудование все чаще преследуют миниатюризацию, высокую эффективность и точный контроль, Планетарные двигатели (PGM), как ед...
ПРОЧИТАТЬ БОЛЬШЕI. Введение В быстром развитии современных технологий, двигателей, в качестве основных компонентов вождения различных механических и электронных систем, играют решающую роль. От точных медицинск...
ПРОЧИТАТЬ БОЛЬШЕ